Power Cords | North American Nema 5-15
The following is a summary chart of the NA series cord sets (UL CSA) offered as standard product. The difference in the configurations is the inclusion or omission of the X and Y capacitors as well as the ferrite coating (Ferro Com) on the conductors.
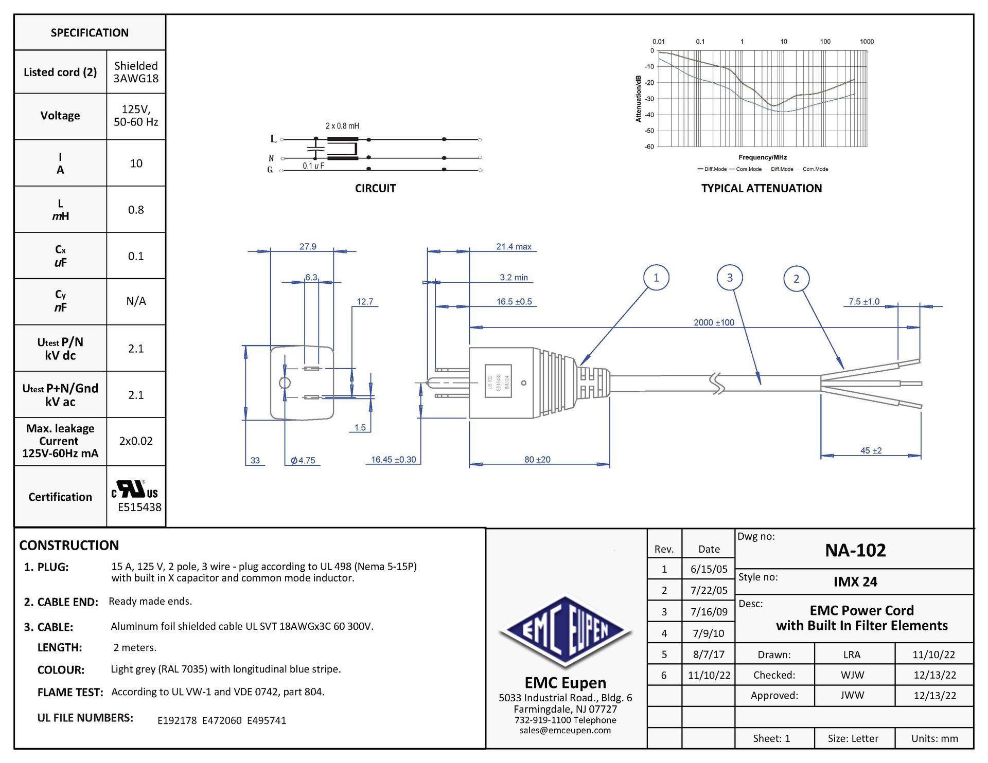
Standard NA 100 Series (The Economy Series)
| Drawing No. | Style No. | Cable Type | I (AMPS) | L MH | CX UF | CY NF | Remarks - Comments |
|---|---|---|---|---|---|---|---|
| NA 100 | IMX 04 | Shielded Only | 10 | .8 | .1 | - | Low Leakage (No Y cap) |
| NA 101 | IMX 14 | Shielded Only | 10 | .8 | .1 | 2 x 2.2 | Uses all passive components (except no FerroCom) |
| NA 102 | IMX 24 | Shielded Only | 10 | .8 | .1 | - | Ready made ends (No Y cap) |
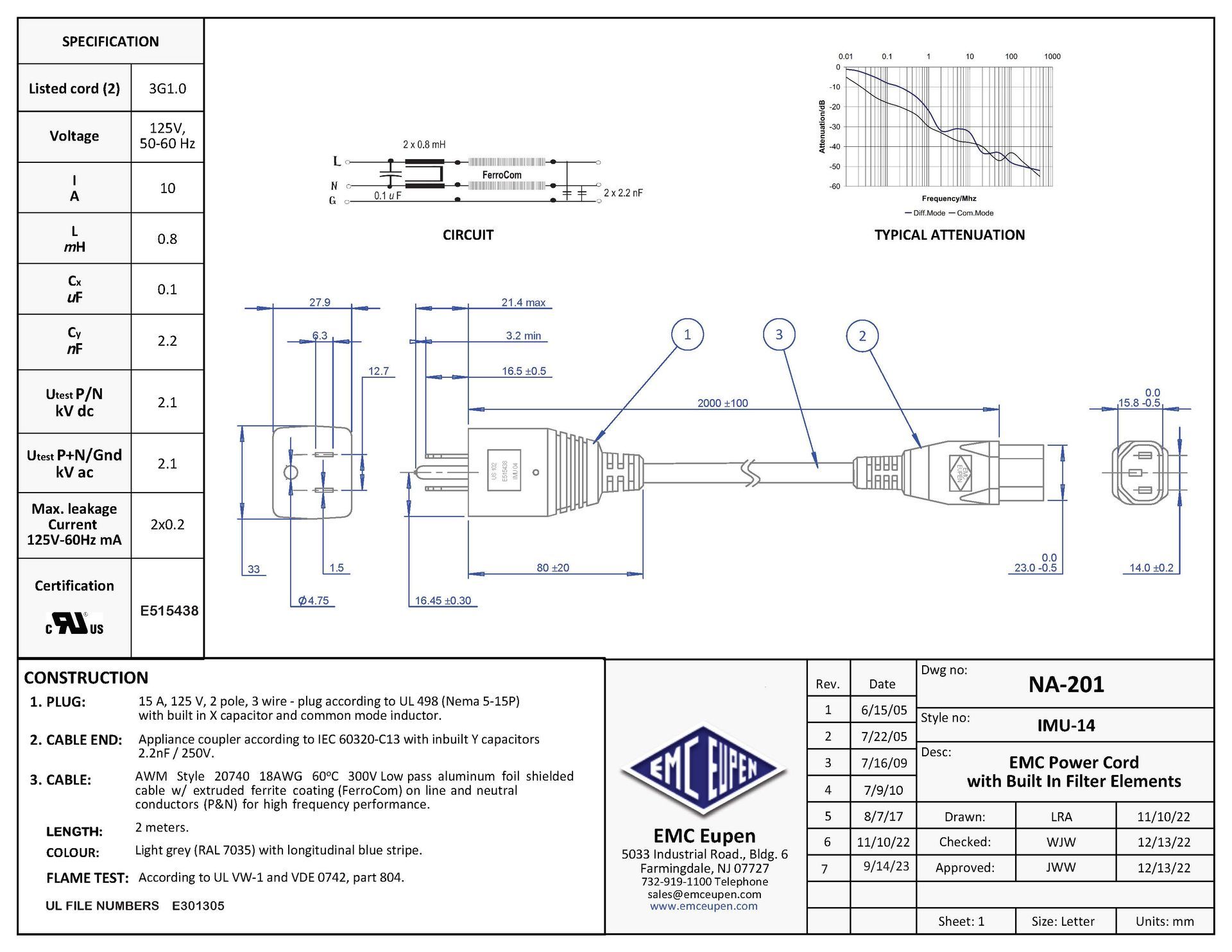
High Performance NA 200 Series
| Drawing No. | Style No. | Cable Type | I (AMPS) | L MH | CX UF | CY NF | Remarks - Comments |
|---|---|---|---|---|---|---|---|
| NA 200 | IMU 04 | Shielded with FerroCom | 10 | .8 | .1 | - | Low Leakage (No Y cap) |
| NA 201 | IMU 14 | Shielded with FerroCom | 10 | .8 | .1 | 2 x 2.2 | MAX Performance |
| NA 202 | IMU 24 | Shielded with FerroCom | 10 | .8 | .1 | - | Ready made ends (No Y cap) |
Certificate of Conformity or EC Declaration of Conformity available upon request









