North American NEMA Cables

Get consistent interference suppression for equipment operating in sensitive or regulated environments.

North American NEMA Cables

Get consistent interference suppression for equipment operating in sensitive or regulated environments.

Network cables in blue-lit server setup

North American NEMA 5-15 Filtered Power Cords

EMC Eupen offers a range of North American NEMA 5-15 filtered power cord sets designed to support EMI and RFI mitigation while meeting UL and CSA requirements.

These standard products help customers comply with FCC, CE, and other international EMC standards.

UL and CSA Listed Solutions for EMC Compliance

Differences across the NA series are based on the inclusion or omission of X and Y capacitors, as well as the use of FerroCom ferrite-coated conductors for enhanced high-frequency attenuation.

Standard NA 100 Series

Economy Filtered Power Cord Solutions

The NA 100 Series provides effective EMI suppression for applications requiring reliable performance with low leakage. These cords use shielded conductors and do not include FerroCom coating.

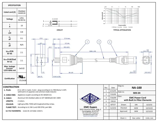
  • NA 100:
    Shielded-only cable rated at 10 amps with 0.8 mH inductance and 0.1 uF X capacitor.

  • NA 101:
    Shielded-only cable rated at 10 amps with 0.8 mH inductance and 0.1 uF X capacitor including two 2.2 nF Y capacitors.

  • NA 102:
    Shielded-only cable rated at 10 amps with 0.8 mH inductance and 0.1 uF X capacitor supplied with ready-made ends and no Y capacitor.

Factory assembly line with electronic components
A modern art installation with geometric patterns and red sculptures.

High Performance NA 200 Series

Maximum EMI Suppression with FerroCom Technology

The NA 200 Series is designed for applications requiring advanced EMC performance. These cords incorporate FerroCom ferrite-coated conductors to deliver additional attenuation at higher frequencies beyond traditional LC filtering.

  • NA 200:
    Shielded cable with FerroCom coating rated at 10 amps with 0.8 mH inductance and 0.1 uF X capacitor.

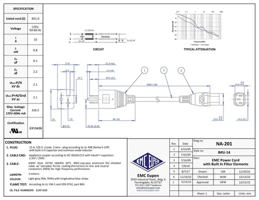
  • NA 201:
    Shielded cable with FerroCom coating rated at 10 amps with 0.8 mH inductance and 0.1 uF X capacitor including two 2.2 nF Y capacitors.

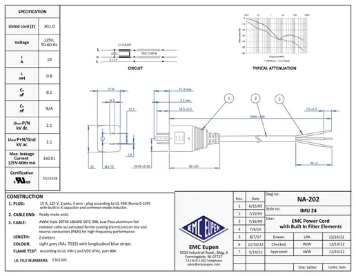
  • NA 202:
    Shielded cable with FerroCom coating rated at 10 amps with 0.8 mH inductance and 0.1 uF X capacitor supplied with ready-made ends.

Compliance Documentation

Certificates of Conformity and EC Declarations of Conformity are available upon request.

Request Product Information

For assistance with product selection, compliance documentation, or technical requirements, our engineering team is available to help.